D5026A是上海得倍电子专为节能型LED显示屏设计的驱动IC,其设计思路是节能并兼容现有方案,也就是说即可用于节能亦可兼容传统。经计算并经测试,采用D5026A制作的显示屏可节电高达30%以上。下面就简单介绍一下D5026A的节能原理。

图2
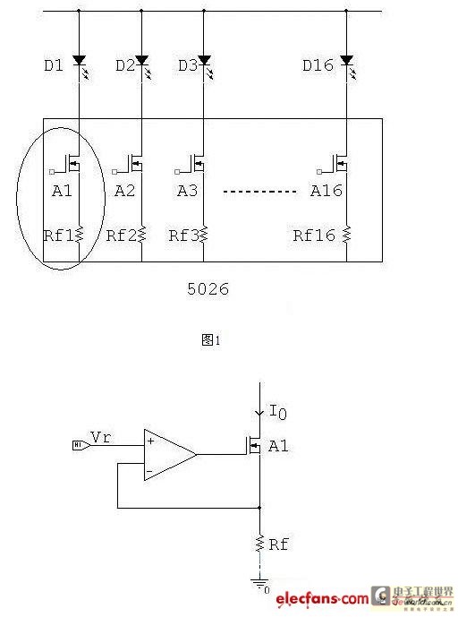
众所周知,LED驱动通常是要采用恒流源驱动模式,图1就是传统的5026驱动输出结构,图2是其每个单元恒流原理。其恒流输出电流Io= Vr/Rf.在这种输出模式下,输出电压Vo由Rf 上的压降Vr与输出管A1 上的压降Vds1组成,即V.=Vr+ Vds1 .在恒流状态下,Vds1随负载变化而变。当输出电流恒定,我们减小Vo 时总会有一个点使Io退出恒流状态,这个点我们就叫它最低输出电压Vomin。我们将Io= Vr/Rf 与 V.=Vr+ Vds1 结合起来不难看出,当V.- Vds1低于Vr时输出将不能恒流。此时Vds1约为0.1V,那最低输出电压就为Vomin=Vr+0.1(V)。

图3是D5026A驱动输出结构,图4是其每个单元恒流原理。D5026A采用了镜像恒流源的工作原理。其输出电流Io完全与两个镜像管的面积成正比,即Io=Ir x (Sa1/Sb1)。而Sa1/Sb1是由IC版图设计时就确定的,因此一致性可以非常好。
我们对比图4与图2就很明显看出,此时的Vo=Vds,完全省略了反馈电阻Rf上的压降。然而,反馈电阻上的压降恰恰在这里占了较大比重。这是因为,倘若反馈电阻压降设置过低就很难弥补反馈放大器失调所造成的误差,恒流源的一致性很难保障。通常反馈电阻压降约为400mV-600mV.也就是说,D5026A在同等条件下比传统的5026的最低输出电压Vomin 要低400mV-600mV。
我们以蓝灯为例,假设蓝灯的导通电压为3.2V,在不考虑线损等因素下,传统的5026最低电源电压Vc=3.2+0.4(0.4-0.6)+0.1=3.7V(甚至到3.9V)。而D5026A 则可工作在Vc=3.2+0.1=3.3V。当然,上述考虑的是理想状态,若考略到线损及电源波动等因素,我们建议电源电压可选在3.6V-3.8V。
我们有过计算,若将现有的5V供电显示屏改为3.8V供电显示屏,无须线路、结构、控制的任何更改,就可直接节电24%。以往,这些被节约的电能都是作用到了5026上,导致5026工作温度极高,极大降低了驱动电路的可靠性。若采用D5026A,驱动电路上的功耗将大大降低,温升极不明显,即节约了电能又提高了器件可靠性,同时大大降低结构设计时对散热的考虑。在完全相同的条件下,采用5V供电的某型号显示屏的5026表面温度为73度,采用3.8V供电的D5026A表面温度仅为39度,显而易见,采用D5026A的优点就不言而喻了。
关键字:D5026A LED 显示屏
引用地址:
采用D5026A的LED显示屏节能分析
推荐阅读最新更新时间:2025-03-21 17:59
采用D5026A的LED显示屏节能分析
D5026A是上海得倍电子专为节能型LED显示屏设计的驱动IC,其设计思路是节能并兼容现有方案,也就是说即可用于节能亦可兼容传统。经计算并经测试,采用D5026A制作的显示屏可节电高达30%以上。下面就简单介绍一下D5026A的节能原理。 图2 众所周知,LED驱动通常是要采用恒流源驱动模式,图1就是传统的5026驱动输出结构,图2是其每个单元恒流原理。其恒流输出电流Io= Vr/Rf.在这种输出模式下,输出电压Vo由Rf 上的压降Vr与输出管A1 上的压降Vds1组成,即V.=Vr+ Vds1 .在恒流状态下,Vds1随负载变化而变。当输出电流恒定,我们减小Vo 时总会有一个点使Io退出
[电源管理]
雷雨天气该如何选择LED显示屏防水连接器?
夏天雷雨天气频发,需要注意户外 LED显示屏 的防水问题,增强防水保护能延长显示屏的使用寿命,所以防水保护需要从源头把关。其中防水连接器的选择尤其重要,目前市场上的防水连接器的品种较多,但质量参差不齐,那么该如何选择呢? 选择一款高质量的LED防水连接器,一般可以从如下几个方面考虑。 第一,首先符合相关电气、安装、连接、绝缘、防护等技术标准要求, 这是选择的基础。 第二,不能只看标准,应该超越标准,注重实际应用遇到的情况。 因为LED行业连接器设计生产所选用的一些标准实际上是从其他行业借鉴过来的,因为行业应用时间比较短,很多条款不都符合和满足LED行业快速变化的要求,比如对耐老化性材料的考核,只是笼
[电源管理]
分析通普户外LED表贴显示屏的六大优势
随着 LED 显示屏制作工艺的发展,之前仅用于户内表贴高清LED显示屏开始大量应用于户外了,当前代表产品有通普科技的户外表贴P10、P20窗帘屏,可弯曲P18,75异型屏。相对于其它LED显示屏,户外LED表贴显示屏具有如下优势。 通普科技表贴P18.75异型LED显示屏和表贴P10户外窗帘屏 户外LED表贴显示屏的优势 1.亮度高、视角大:采用英特来高亮度SMD3535+三合一发光二极管,亮度达到6000cd/㎡以上;完全适合于户外环境使用,三合一表贴屏灯管混色一致好,色彩还原性特好且视角大,给人的视觉感观远远超过传统户外直插全彩显示屏。 2.箱体重量轻:采用铝合金材料箱体结构设计十分轻便;且美观不易变形
[电源管理]
LED显示屏DIY自制
1 、 门头LED条屏 门头LED条屏幕,动感强颜色鲜艳,能吸引注意力,主要用来发布最新广告信息,广泛应用于银行,影楼,美容美发,手机店等店铺门头。 2 、组装意义 LED产业链已经很完善,所有的配件都可以很容易在网上买到,LED的技术参数, 日趋统一,行业标准基本形成,所有零配件都已经模块化。为自行组装 LED屏幕 提供了材料保障。 LED条屏,外形为长条形,包装和运输成本高,相对材料成本较低,LED屏幕的当地组装奠定了成本优势。 加上最终用户并不熟悉LED屏幕,提高LED屏幕的当地销售的竞争力。 所以自行组装LED屏幕,在当地销售,可以获得最大利润。 我们以门头LED控制卡为例子讲述一个F5 1
[电源管理]
何如判断LED显示屏“故障”解决黑屏问题
在控制系统运用的过程中,我们偶尔也会遇到LED显示屏出现黑屏的现象。同样的一种现象可能是由各种不同的原因导致的,就连显示屏变黑的过程也会因不同操作或因不同环境而异。比如它可能是一上电的瞬间就是黑的,也可能在加载过程中变黑,还可能是在发送完毕后变黑等等。遇到这种现象请注意可参照以下各个方面来判断“故障”: ⑴请确保包括控制系统在内的所有硬件已全部正确上电。(+5V,勿接反、接错) ⑵检查并再三确认用于连接控制器的串口线是否有松动或脱落现象。(如果在加载过程中变黑,很可能是因为该原因造成,即在通讯过程中由于通讯线松动而中断,故而屏黑。千万不要以为显示屏体没有动,线就不可能松动,请动手检查一下,这对您想要快速解决问题很重要
[电源管理]
基于P89V51RD2单片机LED点阵显示屏的实现
LED点阵显示屏是一种简单的字符显示器,具有价廉、易于控制、使用寿命长等特点,可广泛应用于各种公共场合,如车站、码头、银行、学校、火车、公共汽车显示等。本文详细介绍了一种低廉的16x16点阵LED显示屏的设计过程。本系统采用P89V51RD2单片机作控制器,整个电路主要由单片机控制及其接口电路、驱动显示电路、电源电路等部分组成。为了使显示屏电路更具实用性,本系统在单片机部分外加数据存储器。在PC机上编辑汉字和字符显示信息,并将其转换为相应的点阵显示数据,然后通过串口(采用RS-232通信标准)送单片机存储并显示,实现LED显示屏的功能。 1 系统原理及特点 系统原理框图如图1所示,该系统主要由飞利浦公司生产的单片机P89V5
[单片机]
从显示屏应用看LED封装企业的技术附加值
LED行业的高速成长促使了其分支“LED显示屏应用领域”的蓬勃发展,作为一名从事LED封装行业多年的工作者,数年的工作实践,使我对这个行业的发展有更多的思考。以下是笔者针对LED下游应用领域,对LED封装企业现在以及未来的技术附加值体现做一次简浅的分析,希望能给行业同仁今后的工作带来一些启发及帮助。 目前LED封装企业的技术附加值现状,第一现在仅有少数国外企业能达到“突破式技术附加值”,对于国内LED封装企业,笔者个人见解,能达此高度的国内企业寥寥无几;第二,能达到“基础技术附加值”国内企业也只有少数,例如柏狮、国星、雷曼等能达到,其他均需苦练内功,以避免因技术附加值不足而惨被行业淘汰掉,或因技术能力不足而对行业产生伤
[电源管理]
浅析异步图文LED显示屏控制技术的参数
说起异步图文LED显示屏控制技术,估计部分朋友不太了解。今天针对这个话题,我们展开互动讨论,欢迎大家积极发言,把你的LED显示屏技术彰显出来。接下来,为大家详细介绍下异步图文LED显示屏控制技术的参数,供大家参考。 异步方式是指LED显示屏具有存储及自动播放的能力,在PC机上编辑好的文字及无灰度图片通过串口或其他网络接口传入LED显示屏,然后由LED显示屏脱机自动播放,一般没有多灰度显示能力,主要用于显示文字和简单的图形信息,可以多屏联网。主控PC机将需显示的信息及各种控制命令通过串行通讯的方式传入LED显示屏屏内控制板,LED显示屏屏内控制板内含有单片机及存储器,屏内控制板将信息存储,然后依命令显示于LED显示屏上。
[电源管理]